拍卖
21

大众 桑塔纳
N202603210222
暗标碰撞车
报价试试吧!
  • 待出价平台服务费
  • ¥--委托方费用
  • ¥--合手价
5年以上车辆报价后不得以二次事故为由提出议价或退车弃标。
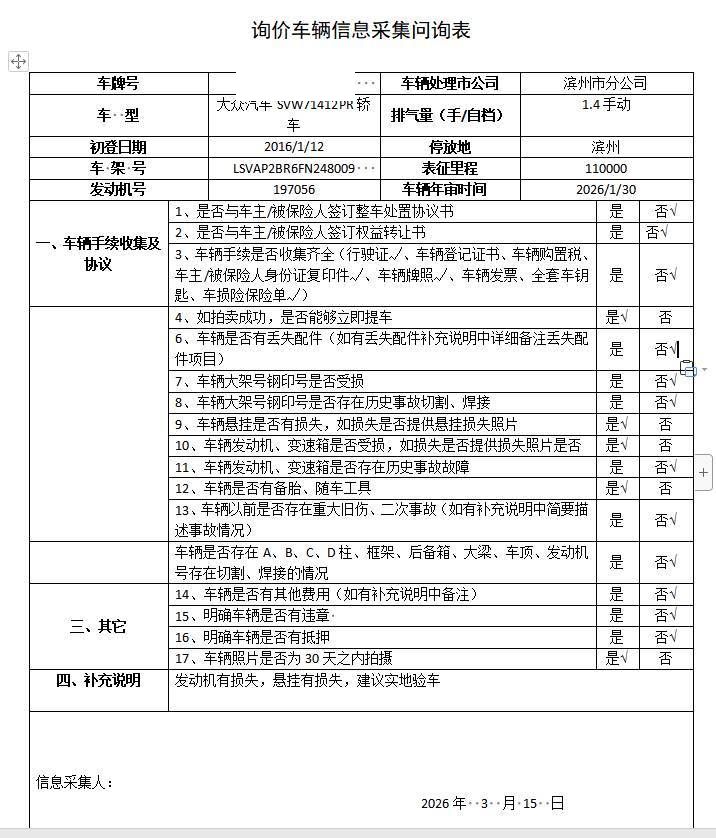
拍卖编号 N202603210222 事故类型 碰撞车
车牌号 鲁****** 品牌 大众
初次登记日期 2016-01-12 车辆名称 大众 桑塔纳
底盘号码 LSVAP2BR6FN248009 变速箱类型 手动
车架号是否受损 未知 使用性质 非营运
动力类型 汽油 车辆类型 乘用车
排量 *** 座位数 0
出厂日期 是否重大历史事故
保险金额 ¥28000 预估维修金额
车辆归属地 山东省滨州市 车辆停放仓库 山东省滨州市

出价 刷新

+1000 +3000 +5000
  • ¥-
  • ¥-
  • ¥-
  • ¥-
  • ¥-
  • ¥-
  • ¥-
  • ¥-

起拍价:¥500

平台服务费:¥500

委托方费用:¥2500

单车款: ¥48000